| توافر الحالة: | |
|---|---|
| الكمية: | |
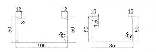
YX50-85/YX50-105
BMS

| لا. | المعلمات الرئيسية | لفة تشكيل معلمات مطحنة | ||
| 1. | سمك المادة | 1.5-3.0 ملم | محطات التشكيل | 14 خطوة |
| 2. | عرض التغذية | وفقا للرسم | إطار الجسم | ح400 |
| 3. | مواد التطبيق | ورقة مجلفنة | سمك الجدار الجانبي | 25 ملم |
| 4. | المعيار الكهربائي | 380 فولت، 50 هرتز/3PH | رمح القطر | 45# فولاذ،80φ/φ65 ملم |
| 5. | قطر جهاز التفكيك اليدوي | 508 ± 30 مم | قوة المحرك الرئيسي | 18.5 كيلو واط |
| 6. | قوة العائد | G550Mpa | مسامير لولبية | الصف 8.8 |
| 7. | سرعة التشكيل | 25 م/دقيقة | العرض الفعال | كتصميم العملاء |
| 8. | نظام التحكم | نظام التحكم PLC | أسطوانة | فولاذ Cr12، مخارط CNC، معالجة حرارية، مطلي بالكروم الصلب. |
| 9. | محرك هيدروليكي | 7.5 كيلو واط | لون الآلة | أزرق + أسود + برتقالي |
تدفق العمل
آلة التفكيك الهيدروليكية (5 طن) → دليل التغذية/جهاز التسوية/اللكم ← القاطع الهيدروليكي المسبق ← مطحنة التشكيل الرئيسية → القاطع الهيدروليكي → نظام التحكم PLC ← حامل الخروج (3M*2)
عرض مكونات الآلة
جهاز التسوية
بعد القطع، والتوقف عن القطع، نوع قطعتين من تصميم شفرة القطع، بدون تقطيع
المحرك الهيدروليكي:7.5 كيلو واط ؛ ضغط القطع: 0-16Mpa؛
مادة أداة القطع: Cr12Mov(= SKD11 مع ما لا يقل عن مليون مرة من قطع الحياة)، المعالجة الحرارية لدرجة HRC58-62
مع دليل مواد التغذية، إطار الجسم مصنوع من ح400نوع الصلب عن طريق اللحام
مهاوي مصنوعة من 45# فولاذ,التبريد والتلطيف المعالجة الحرارية، والطلاء بالكروم الصلب.
القطر=φ80/φ65 ملم، تشكيله بدقة
خزانة التحكم PLC
بعد القاطع
المنتجات المنتجة آليًا


| لا. | المعلمات الرئيسية | لفة تشكيل معلمات مطحنة | ||
| 1. | سمك المادة | 1.5-3.0 ملم | محطات التشكيل | 14 خطوة |
| 2. | عرض التغذية | وفقا للرسم | إطار الجسم | ح400 |
| 3. | مواد التطبيق | ورقة مجلفنة | سمك الجدار الجانبي | 25 ملم |
| 4. | المعيار الكهربائي | 380 فولت، 50 هرتز/3PH | رمح القطر | 45# فولاذ،80φ/φ65 ملم |
| 5. | قطر جهاز التفكيك اليدوي | 508 ± 30 مم | قوة المحرك الرئيسي | 18.5 كيلو واط |
| 6. | قوة العائد | G550Mpa | مسامير لولبية | الصف 8.8 |
| 7. | سرعة التشكيل | 25 م/دقيقة | العرض الفعال | كتصميم العملاء |
| 8. | نظام التحكم | نظام التحكم PLC | أسطوانة | فولاذ Cr12، مخارط CNC، معالجة حرارية، مطلي بالكروم الصلب. |
| 9. | محرك هيدروليكي | 7.5 كيلو واط | لون الآلة | أزرق + أسود + برتقالي |
تدفق العمل
آلة التفكيك الهيدروليكية (5 طن) → دليل التغذية/جهاز التسوية/اللكم ← القاطع الهيدروليكي المسبق ← مطحنة التشكيل الرئيسية → القاطع الهيدروليكي → نظام التحكم PLC ← حامل الخروج (3M*2)
عرض مكونات الآلة
جهاز التسوية
بعد القطع، والتوقف عن القطع، نوع قطعتين من تصميم شفرة القطع، بدون تقطيع
المحرك الهيدروليكي:7.5 كيلو واط ؛ ضغط القطع: 0-16Mpa؛
مادة أداة القطع: Cr12Mov(= SKD11 مع ما لا يقل عن مليون مرة من قطع الحياة)، المعالجة الحرارية لدرجة HRC58-62
مع دليل مواد التغذية، إطار الجسم مصنوع من ح400نوع الصلب عن طريق اللحام
مهاوي مصنوعة من 45# فولاذ,التبريد والتلطيف المعالجة الحرارية، والطلاء بالكروم الصلب.
القطر=φ80/φ65 ملم، تشكيله بدقة
خزانة التحكم PLC
بعد القاطع
المنتجات المنتجة آليًا


آلة تشكيل لفة باب مصراع منتج منتهي
حالة التطبيق (1)
حالة التطبيق (2)

آلة تشكيل لفة باب مصراع منتج منتهي
حالة التطبيق (1)
حالة التطبيق (2)