| توافر الحالة: | |
|---|---|
| الكمية: | |
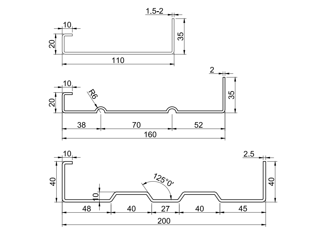
YX20,35,40-110,160,200
BMS
8455221000
حساب تعريفي
| مادة | المواد القابلة للتطبيق | ورقة المدرفلة على البارد |
سمك المادة | 1.2 ملم / 1.5 ملم / 2.0 ملم / 2.5 ملم | |
مع قوة الخضوع | 310-440 ميجا باسكال | |
| لفه | عرض التغذية | 600 ملم |
نطاق معرف الملف | 508 مم ± 30 مم | |
سعة | الأعلى.5 طن. | |
آلة | إطار قاعدة | فولاذ نوع H450 باللحام. |
| سمك الجدار الجانبي | Q235 t25mm | |
مادة الأسطوانة | فولاذ GCr15 (=فولاذ EN31)، مصنع بدقة، معالجة حرارية، HRC58-62 | |
محطة الأسطوانة | 18- خطوة للتشكيل | |
قطر رمح | ф80mm، معالجة عالية التردد | |
القاطع | صلابة | المعالجة الحرارية إلى درجة HRC58-62 |
قطع التسامح | ± ± 1 مم | |
| قوة | طريقة القيادة | ناقل الحركة / العجلة المسننة |
| المحرك الرئيسي | 18.5 كيلو واط، التحكم في سرعة التردد | |
| محرك المضخة للقاطع | 5.5 كيلو واط | |
نظام التحكم PLC | العاكس | شنايدر إلكتريك/دلتا (علامة تجارية تايوانية) |
شاشة اللمس | WEINVIEW (علامة تجارية تايوانية) | |
التشفير | KOYO (العلامة التجارية اليابانية) أو OMRON (العلامة التجارية اليابانية) | |
السيطرة على الجهد | 24 فولت |
1. آلة واحدة للملفات المتعددة: أي حجم داخل الويب 60-200 مم وشفة 20-40 مم)، مما يوفر الاستثمار والمساحة؛تصميم تلقائي لتغيير الحجم لتحقيق كفاءة عمل عالية.
2. يتم إخماد الأسطوانة بعد المعالجة الدقيقة باستخدام الفولاذ المحمل GCr15 (= فولاذ EN31)، ومطلي بالكروم الصلب لعمر عمل طويل يزيد عن 10 سنوات.
3. مطحنة التشكيل الرئيسية (تغيير الحجم التلقائي)
آلة التفكيك الهيدروليكية 5T → جهاز التسوية →جهاز توجيه محرك سيرفو→الناخس
نظام تشكيل اللف ← جهاز القطع الهيدروليكي ← رف الخروج
اِصطِلاحِيّ المواصفاتنانوثانية
1) 5T آلة التفكيك الهيدروليكية: مجموعة واحدة
التحكم الهيدروليكي في انكماش وتوقف التجويف الداخلي للملف الفولاذي
أقصى عرض للتغذية: 600 ملم
نطاق معرف الملف:508±30 ملم،القطر الخارجي:1500 ملم
محرك مضخة الزيت:2.2 كيلو واط
سعة:ماكس.5 طن
إضافة قوة التغذية التلقائية وجهاز التوقف الذاتي
أعلى ثلاثة تحت أربعة تماما سبعة جهاز تسوية الأسطوانة
مع دليل مواد التغذية، إطار الجسم مصنوع من ح450 نوع الصلب عن طريق اللحام
مهاوي مصنوعة من 45# فولاذ,التبريد والتلطيف المعالجة الحرارية، والطلاء بالكروم الصلب.القطر=φ90 ملم، تشكيله بدقة
3) محرك سيرفو وآلة التثقيب
125 طن آلة التثقيب عالية السرعة قبل تشكيل اللفة، مجهزة بمجموعة واحدة من نموذج التثقيب. آلة التثقيب بأربعة جوانب مع غطاء أمان وجانب واحد مع فتح الباب. عن طريق التحكم بنظام PLC.

4) م الرئيسيachin
بكرات مصنوعة من الفولاذ المحمل GCr15(=فولاذ EN31)، آلة دقيقة ، مطلية بالكروم الصلب ؛ بسمك 0.04 مم ، سطح مع معالجة المرآة (لعمر أطول ومضاد للصدأ) ؛
إطار الجسم مصنوع من 450# ح نوع الصلب عن طريق اللحام
سرعة التشكيل: حوالي 20 م/دقيقة
5) الهيدروليكية آخر القاطع
بعد القطع، توقف عن القطع، ثلاث قطع من تصميم شفرة القطع
المحرك الهيدروليكي:5.5 كيلو واط;قطع الضغط:0-16 ميجا باسكال
مادة أداة القطع:Cr12MoV (= فولاذ SKD11)المعالجة الحرارية إلى HRC58-62
مع ما لا يقل عن مليون مرة من قطع الحياة
يتم توفير قوة القطع بواسطة المحطة الهيدروليكية للمحرك الرئيسي
6) نظام التحكم PLC
التحكم في الكمية وطول القطع تلقائيا.
أدخل بيانات الإنتاج (دفعة الإنتاج، أجهزة الكمبيوتر، الطول، وما إلى ذلك) على شاشة اللمس.
يمكنه إنهاء الإنتاج تلقائيًا.
مدمج مع: PLC، العاكس، شاشة اللمس، التشفير، إلخ.
7) رف الخروج:
وحدتان بدون طاقة، مع بكرات لسهولة الحركة
8) عرض المنتج
طريقة التعبئة:الجسم الرئيسي للآلة عاريا و مغطاة بغشاء بلاستيكي (لحماية الغبار والتآكل)،يتم تحميلها في حاوية وتثبيتها بثبات في حاوية مناسبة بحبل وقفل فولاذي، ومناسبة للنقل لمسافات طويلة.

خدمة ما بعد البيع
1. ال الضمان هو 24 شهور بعد أن يستلم العميل الجهاز .
وفي غضون 24 شهرًا، سنقوم بإرسال قطع الغيار إلى العميل مجانًا.
2. نحن نقدم الدعم الفني طوال عمر أجهزتنا.
3. يمكننا إرسال الفنيين لدينا لتثبيت وتدريب العمال في مصانع العملاء تكلفة إضافية.

حساب تعريفي
| مادة | المواد القابلة للتطبيق | ورقة المدرفلة على البارد |
سمك المادة | 1.2 ملم / 1.5 ملم / 2.0 ملم / 2.5 ملم | |
مع قوة الخضوع | 310-440 ميجا باسكال | |
| لفه | عرض التغذية | 600 ملم |
نطاق معرف الملف | 508 مم ± 30 مم | |
سعة | الأعلى.5 طن. | |
آلة | إطار قاعدة | فولاذ نوع H450 باللحام. |
| سمك الجدار الجانبي | Q235 t25mm | |
مادة الأسطوانة | فولاذ GCr15 (=فولاذ EN31)، مصنع بدقة، معالجة حرارية، HRC58-62 | |
محطة الأسطوانة | 18- خطوة للتشكيل | |
قطر رمح | ф80mm، معالجة عالية التردد | |
القاطع | صلابة | المعالجة الحرارية إلى درجة HRC58-62 |
قطع التسامح | ± ± 1 مم | |
| قوة | طريقة القيادة | ناقل الحركة / العجلة المسننة |
| المحرك الرئيسي | 18.5 كيلو واط، التحكم في سرعة التردد | |
| محرك المضخة للقاطع | 5.5 كيلو واط | |
نظام التحكم PLC | العاكس | شنايدر إلكتريك/دلتا (علامة تجارية تايوانية) |
شاشة اللمس | WEINVIEW (علامة تجارية تايوانية) | |
التشفير | KOYO (العلامة التجارية اليابانية) أو OMRON (العلامة التجارية اليابانية) | |
السيطرة على الجهد | 24 فولت |
1. آلة واحدة للملفات المتعددة: أي حجم داخل الويب 60-200 مم وشفة 20-40 مم)، مما يوفر الاستثمار والمساحة؛تصميم تلقائي لتغيير الحجم لتحقيق كفاءة عمل عالية.
2. يتم إخماد الأسطوانة بعد المعالجة الدقيقة باستخدام الفولاذ المحمل GCr15 (= فولاذ EN31)، ومطلي بالكروم الصلب لعمر عمل طويل يزيد عن 10 سنوات.
3. مطحنة التشكيل الرئيسية (تغيير الحجم التلقائي)
آلة التفكيك الهيدروليكية 5T → جهاز التسوية →جهاز توجيه محرك سيرفو→الناخس
نظام تشكيل اللف ← جهاز القطع الهيدروليكي ← رف الخروج
اِصطِلاحِيّ المواصفاتنانوثانية
1) 5T آلة التفكيك الهيدروليكية: مجموعة واحدة
التحكم الهيدروليكي في انكماش وتوقف التجويف الداخلي للملف الفولاذي
أقصى عرض للتغذية: 600 ملم
نطاق معرف الملف:508±30 ملم،القطر الخارجي:1500 ملم
محرك مضخة الزيت:2.2 كيلو واط
سعة:ماكس.5 طن
إضافة قوة التغذية التلقائية وجهاز التوقف الذاتي
أعلى ثلاثة تحت أربعة تماما سبعة جهاز تسوية الأسطوانة
مع دليل مواد التغذية، إطار الجسم مصنوع من ح450 نوع الصلب عن طريق اللحام
مهاوي مصنوعة من 45# فولاذ,التبريد والتلطيف المعالجة الحرارية، والطلاء بالكروم الصلب.القطر=φ90 ملم، تشكيله بدقة
3) محرك سيرفو وآلة التثقيب
125 طن آلة التثقيب عالية السرعة قبل تشكيل اللفة، مجهزة بمجموعة واحدة من نموذج التثقيب. آلة التثقيب بأربعة جوانب مع غطاء أمان وجانب واحد مع فتح الباب. عن طريق التحكم بنظام PLC.

4) م الرئيسيachin
بكرات مصنوعة من الفولاذ المحمل GCr15(=فولاذ EN31)، آلة دقيقة ، مطلية بالكروم الصلب ؛ بسمك 0.04 مم ، سطح مع معالجة المرآة (لعمر أطول ومضاد للصدأ) ؛
إطار الجسم مصنوع من 450# ح نوع الصلب عن طريق اللحام
سرعة التشكيل: حوالي 20 م/دقيقة
5) الهيدروليكية آخر القاطع
بعد القطع، توقف عن القطع، ثلاث قطع من تصميم شفرة القطع
المحرك الهيدروليكي:5.5 كيلو واط;قطع الضغط:0-16 ميجا باسكال
مادة أداة القطع:Cr12MoV (= فولاذ SKD11)المعالجة الحرارية إلى HRC58-62
مع ما لا يقل عن مليون مرة من قطع الحياة
يتم توفير قوة القطع بواسطة المحطة الهيدروليكية للمحرك الرئيسي
6) نظام التحكم PLC
التحكم في الكمية وطول القطع تلقائيا.
أدخل بيانات الإنتاج (دفعة الإنتاج، أجهزة الكمبيوتر، الطول، وما إلى ذلك) على شاشة اللمس.
يمكنه إنهاء الإنتاج تلقائيًا.
مدمج مع: PLC، العاكس، شاشة اللمس، التشفير، إلخ.
7) رف الخروج:
وحدتان بدون طاقة، مع بكرات لسهولة الحركة
8) عرض المنتج
طريقة التعبئة:الجسم الرئيسي للآلة عاريا و مغطاة بغشاء بلاستيكي (لحماية الغبار والتآكل)،يتم تحميلها في حاوية وتثبيتها بثبات في حاوية مناسبة بحبل وقفل فولاذي، ومناسبة للنقل لمسافات طويلة.

خدمة ما بعد البيع
1. ال الضمان هو 24 شهور بعد أن يستلم العميل الجهاز .
وفي غضون 24 شهرًا، سنقوم بإرسال قطع الغيار إلى العميل مجانًا.
2. نحن نقدم الدعم الفني طوال عمر أجهزتنا.
3. يمكننا إرسال الفنيين لدينا لتثبيت وتدريب العمال في مصانع العملاء تكلفة إضافية.
